FEATURES
? PNP epitaxial silicon, planar design
? Epitaxial planar die construction
? As complementary type, the NPN transistor MMBT3904 is ? Recommended
? Lead free in compliance with EU RoHS
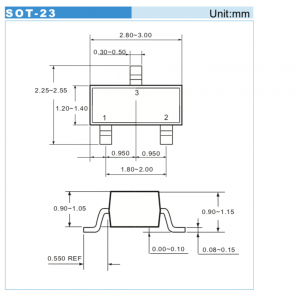
MECHANICAL DATA
? Case Material: Molded Plastic.
? UL Flammability Classification Rating 94V-0
